Cara Menentukan Hasil Pengukuran Mikrometer Sekrup
mikrometer sekrup cara menggunakan cara membaca contoh soal.
maka hasil akhir pengukuran mikrometer sekrup pada contoh ini adalah 5 5 0 28 5 78mm hasil ini memiliki ketelitian sebesar 0 01 mm fungsi mikrometer sekrup mikrometer sekrup pada umumnya digunakan untuk mengukur diameter atau ketebalan suatu benda yang ukurannya kecil.simulasi menentukan hasil pengukuran dengan mikrometer sekrup.
fisika kelas x dalam video mengajar ini menjelaskan simulasi menentukan hasil pengukuran dengan mikrometer sekrup belajardarirumah mikrometer hasilpengu.laporan praktikum mikrometer sekrup dan landasan teori pdf.
menghitung hasilnya menggunakan cara hasil skala utama skala nonius x skala paling kecil dalam mikrometer sekrup e cara kalibrasi mikrometer sekrup membutuhkan kalibrasi secara berkala guna menjamin bahwa alat tersebut akurat dan tingkat ketelitiannya sesuai dengan standar.
cara membaca mikrometer sekrup yang tepat.
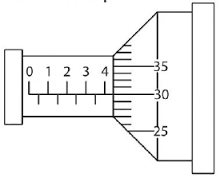
cara membaca mikrometer sekrup 1 yang pertama silahkan letakkan mikrometer sekrup satu arah sehingga bisa dilihat dengan jelas 2 baca skala utama dari mikrometer sekrup tersebut dibagian atas garis menunjukkan angka bulat mm seperti 1 mm dan seterusnya sedangkan pada garis skala bawah menunjukkan bilangan 0 5 mm.cara menghitung hasil pengukuran mikrometer sekrup youtube.
video pembelajaran agar siswa mudah dalam memahami cara menghitung hasil pengukuran menggunakan mikrometer sekrup pada soal soal latihan.
cara menggunakan mikrometer sekrup dengan contoh soal.
cara menghitung mikrometer sekrup mikrometer sekrup merupakan alat ukur yang dapat mengukur benda dengan ketelitian mencapai 0 01 mm dan banyak digunakan untuk mengukur besaran panjang ketebalan serta diameter luar sebuah benda.cara membaca mikrometer sekrup singkat padat jelas.
26 12 2020 b cara membaca mikrometer sekrup 1 posisikan mikrometer sekrup searah dengan pandangan sehingga kita bisa melihat dengan jelas skala hasil pengukuran 2 kemudian bacalah skala utama pada mikrometer sekrup pada bagian atas garis menunjukan angka bulat dalam mm misalnya 1 milimeter 2 milimeter dan seterusnya.
cara membaca menghitung mikrometer sekrup disertai gambar.
cara menghitung mikrometer sekrup seperti kita tahu alat ukur ini terdiri dari 2 skala yaitu skala utama terletak pada poros geser dan skala nonius atau skala putar terletak pada pemutar masing masing skala ini memiliki fungsi berbeda.contoh soal mikrometer sekrup rumusrumus com.
11 03 2021 soal 2 pengukuran tebal batang terlihat seperti gambar dibawah ini hitunglah hasil dari pengukuran mikrometer dibawah ini ialah mm jawaban perhatikan pengukuran mikrometer sekrup dibawah ini skala tetap 4 5 1 mm 4 5mm skala nonius 46 0 01 mm 0 46mm hasil skala tetap ditambah skala nonius.
cara menentukan hasil pengukuran mikrometer sekrup
cara menentukan hasil pengukuran mikrometer sekrup
cara agar cepat haid,cara aktifkan hotspot di iphone,cara aktivasi akun ppdb,cara aktivasi windows 10,cara aktivasi kartu telkomsel,cara aktivasi kartu simpati,cara agar cepat hamil,cara aktivasi efin,cara agar muka simetris,cara aktivasi windows 10 gratis,menentukan arah kiblat,menentukan arah arus induksi,menentukan arah kiblat online,menentukan akar persamaan kuadrat,menentukan awal dan akhir ramadhan,menentukan arah medan magnet,menentukan arah kiblat dengan kompas,menentukan arah gaya lorentz,menentukan asam basa konjugasi,menentukan arah angin,hasil antigen positif,hasil antigen,hasil argentina vs paraguay,hasil argentina,hasil antigen negatif,hasil antigen berapa lama,hasil antigen samar,hasil amandemen uud 1945,hasil arsenal,hasil austria,pengukuran adalah,pengukuran antropometri,pengukuran antropometri menurut who,pengukuran aset tetap,pengukuran aset,pengukuran antropometri dewasa,pengukuran antropometri kemenkes,pengukuran antropometri anak,pengukuran akuntansi,pengukuran abi,sekrup adalah,sekrup aluminium,sekrup alderon,sekrup akrilik,sekrup atap alderon,sekrup acp,sekrup atau sekrup,sekrup atap,sekrup anti karat,sekrup aus



